


|
81G雷達相對于26G或6G雷達具有頻率更高,波長更短,波束角更小,能量更加集中的特點;加上FMCW技術的應用,使其具有以下特點:
1、非接觸雷達,無磨損,無污染;
2、天線尺寸小,便于安裝;
3、波長更短,對在傾斜的固體表面有更好的反射;
4、測量盲區更小,對于小罐測量也會取得良好的效果;
5、波束角小,能量集中,增強了回波能力的同時又有利于避開干擾物;
6、幾乎不受腐蝕、泡沫影響;
7、幾乎不受大氣中水蒸汽、溫度和壓力變化影響;
8、嚴重粉塵環境不會影響電磁波工作;
9、高信噪比,即使在波動的情況下也能獲得更優的性能;
10、高頻率,是測量固體和低介電常數介質的最佳選擇。
適用工況:
1、測量量程大于30米的液體、漿料測量,有攪拌、有蒸汽、泡沫的場合。2、用干強粉塵場合的固體顆粒,塊料、粉料、顆粒測量:超細顆粒,介電常數低的介質或場合,如水泥庫、水泥粉,有色金屬庫、粉料倉、谷物倉煤塊、煤粉、鈦粉、散裝物料等料位監測;在固塊/固粉測量大堆角環境下,測量效果優于26G。 3、應用場合:化工、石油、醫療、煤礦、水泥、燒結、食品和谷物、氧化鋁廠等行業。
|

|
面板顯示:
|





|
測量原理:雷達物位天線發射的FMCW(調頻連續波信號),經天線向下傳輸,微波接觸到被測介質表面后被反射回來,再次被天線系統接收并將其傳輸給電子線路部分自動轉換成物位信號。(因為微波傳播速度極快,電磁波到達目標并經反射返回接收器這一來回所用的時間幾乎是瞬間的)。 |

|
注:使用雷達物位計時,務必保證最高料位不能進入測量盲區(圖中D所示區域)概述。 |
|
應用場合:廣泛應用于高粉塵、帶攪拌、強泡沫、強腐蝕等場合。 |


| 注:使用過程,務必保證最高的料位不能進入測量盲區。 |





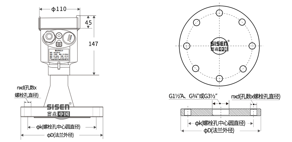
| 法蘭尺寸: |
|
通徑 |
D |
K(螺栓孔 中心圓直徑) |
nxd(孔數x螺栓孔直徑) |
通徑 |
D |
K(螺栓孔中心圓直徑)
|
nxd(孔數x螺栓孔直徑) |
|
DN50 |
φ165 |
φ125 |
4×φ18 |
DN150 |
φ285 |
φ240 |
8×φ22 |
|
DN80 |
φ200 |
φ160 |
8×φ18 |
DN200 |
φ340 |
φ295 |
12×φ22 |
|
DN100 |
φ220 |
φ180 |
8×φ18 |
DN250 |
φ405 |
φ355 |
12×φ26 |
|
DN125 |
φ250 |
φ210 |
8×φ18 |
|
|
|
|

|
外殼 |
外殼和外殼蓋
之間的密封 |
硅橡膠 |
|
積分時間 |
(0~50)s,可調 |
|
外殼視窗 |
聚碳酸酯 |
特征參數 |
盲區 |
天線末端 |
|
|
接地端子 |
不銹鋼 |
最大測量范圍 |
盲區0.2m;20m(液體) |
||
|
供電電壓
(兩線制) |
標準型 |
(16~26) VDC |
盲區0.3m;20m(固體) |
||
|
本安型 |
(21.6~26.4) VDC |
盲區1.6m;100m(固體) |
|||
|
功耗 |
max 22.5mA/1W |
頻率 |
81GHz |
||
|
允許紋波 |
通訊接口 |
HART協議/Modbus RTU通訊協議(RS485)(支持有線遠程調試) |
|||
|
電纜參數 |
電纜入口/插頭 |
1個M20×l.5電纜入口 |
測量間隔 |
大約1秒(取決于參數設置) |
|
|
(電纜直徑(5~9)mm) |
調整時間 |
大約1秒(取決于參數設置) |
|||
|
一個盲堵M20×L.5 |
顯示分辨率 |
1mm |
|||
|
接線端子 |
導線橫截面2.5m㎡ |
工作存儲及運輸溫度 |
(-40~100)℃ |
||
|
輸出參數 |
輸出信號 |
(4~20)mA |
過程溫度
(天線部分的溫度) |
(-40~250)℃ |
|
|
通訊協議 |
HART協議 |
相對濕度 |
<95% |
||
|
分辨率 |
1.6µA |
壓強 |
Max.4MPa |
||
|
故障信號 |
電流輸出不變 |
耐振 |
機械震動10m/s²,(10~150)Hz |
||
|
20.5mA |
天線
發射角度 |
發射角 |
取決于天線尺寸 |
||
|
22mA |
螺紋G¾ |
14° |
|||
|
3.9mA |
螺紋G1½"天線
|
7° |
|||
|
兩線制負載電阻 |
見下圖 |
透鏡天線 |
3° |
||
|
兩線制負載電阻圖: |


