并聯式標準表檢測裝置(渦街流量計、熱式氣體質量流量計)
【文章導讀】 并聯式氣體流量標準裝置是利用幾臺低流量范圍高準確度的標準流量計以并聯的方式來實現大流量的量值傳遞,此裝置主要用于標定西森自動化自主生產的渦街流量計、熱式氣體質量流量計等氣體流量計
引言:標準表法氣體流量標準裝置是使用較多的氣體流量標準裝置,尤其是一些流量計的生產企業建立此項標準裝置較多。隨著中國城市工業化速度的加快,城市環保的要求 和城市天然氣、蒸汽供應量日益增大,所使用的氣體流量計口徑越來越大。大口徑流量計的檢定及標準表的溯源目前存在困難便顯現出來。
但是如果采用并聯使用標準表的方式,只使用標準流量計檢定曲線上一個有限段,標準流量計標定準確度可以提高。同樣也可以使被檢流量計的流量范圍達到需求。采用并聯式標準表作為氣體校驗裝置在國內外已有廣泛的應用,如國內應用廣泛的噴嘴法氣體流量標準裝置就是采用并聯方式;20世紀90年代加拿大建成的北美最大的天然氣實流校驗裝置是6臺DN400與2臺DN200的渦輪流量計作為標準表來校驗DN750以下的各種口徑流量計。
山東境內有數十家渦街流量計生產企業,近年來利用渦街流量傳感器建立并聯式標準表法氣體流量檢定裝置方面也積累了一些經驗,并聯方式在校驗大口徑流量計上是有其優勢的。

二.基本原理
氣體渦街流量傳感器的準確度一般在0.5級~1.5級的水平上,是無法作為0.5級標準傳感器使用的,當只使用標準流量傳感器檢定曲線上一個有限段時。標準流量計標定準確度可以得到提高。同樣用以檢定被檢流量計的準確度也可以提高。在這一有限測量范圍內儀表系數K的相對誤差將小于儀表系數的全量程的誤差。
試驗結果表明若量程比為2:1或3:1,在定點標定時能滿足要求,因此,使用該傳感器標準,建立氣體流量裝置是可行的。
并聯方式的就是用幾臺有限測量范圍的標準流量計并聯代替大量程的單臺標準流量計,使用高精度低量限的標準流量計使標準流量計的檢定溯源問題簡化。根據該方式建立起一個比較測量系統, 以標準流量計為標準器,使氣體在相同的時間間隔內連續通過標準流量計和被檢流量計,比較兩者的流量值,從而確定被檢流量計的計量性能。
在同一技術時間間隔內,流經所有標準流量傳感器的氣體質量應等于流經被校表的氣體質量。根據理想氣體質量方程PV=nRT可知,只要測得氣體工況流量及該時間的溫度及壓力即可求出流經被校表的質量流量;根據檢測到的被校表的壓力和溫度及脈沖數即可計算出被校表的流量常數。
三.系統構成
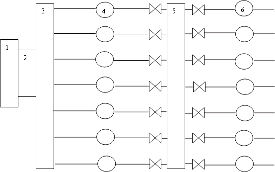
并聯式氣體流量裝置由變頻風機(氣源)緩沖罐及管路,標準流量傳感器,工控機(計時器,數據采集系統)等幾部分組成。裝置結構示意圖如下:

圖1 裝置結構示意圖
說明:
1.風源包含高壓風機、空氣機、變頻器
2.進氣管
3.緩沖罐
4.標準表
5.分流罐
6.被檢流量計
該裝置由數臺標準傳感器并聯組成;為方便核查標準表的準確性,標準表處留有備用接口,以方便用高精度的氣體流量計來隨時核查標準傳感器的準確度以及校驗小口徑渦街傳感器使用。該裝置采用的是高壓離心風機,為了穩定氣源的流量和壓力,該風機由一臺變頻器控制風機的轉速。
標準表前后直管端均采用前25D后10D的設計,滿足了國家標準JB/T9294-1999及檢定規程JJG643-2003的要求。
四.數學模型的建立
因檢測介質是空氣,可視為理想氣體,圖2是三臺并聯流量傳感器的示意圖:

圖2.并聯標準流量計示意圖
由數學模型可知,被檢表的流量系數的確定是由標準表的溫度、壓力、流量系數,被檢表的溫度、壓力來決定的;并且可以看出被檢表的流量大小是由標準表數量及其流量大小來決定的。如果風源足夠大,理論上只要增加標準表的數量就可達到校驗大流量傳感器的目的。
五.硬件的組成及軟件的實現
考慮到長期連續使用的可靠性,控制系統采用的是工業PC機,采集信號選用高性能數字采集卡;模入模出接口卡;光電隔離脈沖計數定時接卡等。16路模擬量采負責采集溫度、壓力等模擬量信號,開關量板卡負責氣動閥門的開關控制信號。
系統采用亞控工業組態平臺進行開發,以VC++,VB編程平臺為輔助,使運行有良好的人機界面,操作直觀,簡便。
系 統設計時主要考慮校驗大流量流量傳感器時,并聯使用標準表校驗大口徑傳感器的小流量時選擇一臺標準傳感器,讓該流量落在標準傳感器的中限;在校驗大口徑大 流量時則同時開啟兩種以上標準傳感器,如果各標準表流量不滿足標準傳感器的要求,則通過調整風機風壓來達到要求。要求根據被校表的流量來選擇最合適的標準 傳感器,選擇標準傳感器的原則是:
1.使用標準傳感器的溯源流量點;
2.使用標準傳感器的中限流量。
另該裝置仍可實現傳統的串聯定點標定方式,如校驗DN100傳感器,則將除DN100的其他標準傳感器的閥門關閉,在檢定時,使用標準的定點參數來校驗被校表即可。軟件總體的設計流程如下:

圖3 軟件總體的設計流程圖
在數據處理的過程中,脈沖計數的計數方法和讀取方法是一個關鍵,直接影響到檢定結果的準確和可靠。在這個過程處理時一般有定脈沖和定時兩種方法。下面就定時方法做簡單介紹。
方法一:開啟一個定時器,同時將計數器的內容清零并打開計數器。當定時器到達定時時刻時,關閉計數器;同時讀取計數器的內容并清零計數器,進行下一個定時周期的計數,將讀取的計數器數據進行數據處理。
方法二:開啟一個定時器,打開計數器的同時將計數器的內容保存在一個數據存貯器(F1)中;在定時器到達定時時刻時,讀取計數器數據存貯在數據存貯器(F2)中。做如下操作:
ΔF= F2- F1;F2送F1。
ΔF為在定時時刻內計數器的計數數值,將該數值進行處理運算。注意:當F2<F1時,應對 ΔF求補,以獲得真值。
兩種方法中,第一種在計數的關閉、開啟過程種可能丟失脈沖數,產生計數誤差,程序簡單,運行速度快。第二種由于計數器是連續計數,所以不會產生脈沖的丟失但程序處理較復雜,占用內存較多。但為提高儀表的準確度最好采取第二種方法進行脈沖信號的計數和讀取。
方法二流程圖如下:

圖4 脈沖計數流程圖
六.流量校驗
系統投入運行后,首先通過參數比對的方式與省計量所的檢定裝置進行了數值比對。在校驗中通過調節變頻控制風機風速,通過氣動閥門選擇不同型號標準傳感器進行組合,使標準表的流量落到它的中限以保證數據的可靠性。
注意事項:
第一點:設計裝置中要注意管道壓力損失,選擇合適風壓風機尤為重要,如果不經過合理計算,選擇風機風壓不恰當,實際運行中會出現校驗小口徑傳感器時上限上不去的現象。
第二點:選擇合適閥門,保證校驗過程中閥門一點不泄漏是保證校驗數據準確性的重要一環。我們在調試裝置和使用中發現,即使閥門有一絲泄漏,對被校表的儀表常 數都有較大影響,如果標準表的閥門泄漏,被校表的儀表常數常增加很多。選擇大廠生產的蝶閥或球閥是保證設備正常運行的關鍵。
第三點:要保證校驗過程溫度、壓力保持穩定,特別是每次三點的檢定過程。
第四點:裝置在制作安裝過程中要精細,保證管道的同心度和直管端,以及法蘭連接的焊口要平齊,密封墊不得突入管道內。
七.此裝置主要用于標定西森自動化自主生產的渦街流量計、熱式氣體質量流量計等氣體流量計
七.結束語
隨著大口徑傳感器的實際應用,建設大流量校驗裝置已成為的迫切需要。并聯式流量標準裝置因其兼容常規的串聯校驗方式,投資少建設周期短而得到重視。隨著經驗的積累,必將不斷完善,也將得到很快的發展。
經典案例 這些是您身邊的案例......
工程師感言
- 關鍵詞閱讀:
- 并聯式標準表檢測裝置
- 并聯式氣體流量標準裝置
.jpg)
.jpg)
.jpg)













.jpg)
.jpg)
.jpg)
.jpg)
.jpg)
.jpg)
.jpg)
.jpg)
.jpg)
.jpg)
.jpg)
.jpg)
.jpg)
.jpg)
















