

|
溫度變送器的類型
1、熱電阻溫度變送器 |
![]() |
通用型溫度變送器特點: 導軌安裝,低功耗,適合密集安裝;環境溫度、零點、滿幅自動補償;電源、輸入、輸出、雙回路間高隔離度;智能化設計,數字化調校無電位器、自動零點校準;符合國際電工委員會IEC61000相關抗電磁干擾標準;極高的穩定性,確保準確度多年不變。 |
|
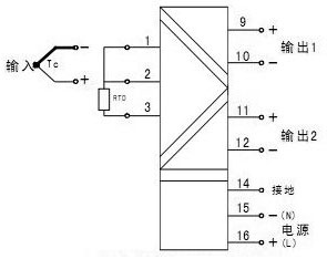
通用型溫度變送器的接線圖 |
|
|
單路熱電偶/熱電阻輸入,單路輸出 (一進一出溫度變送器) |
單路熱電偶/熱電阻輸入,雙路輸出 (一進二出溫度變送器) |
|
|
|
|
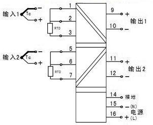
雙路熱電偶/熱電阻輸入,雙路輸出 (兩進兩出溫度變送器) |
溫度變送器 (單通道輸出回路供電) |
|
|
|
|
XSWD系列通用型溫度變送器的尺寸 |
|||||||||||||||||||||||||||||||||||||||||||||
![]() |
|||||||||||||||||||||||||||||||||||||||||||||
|
22.5mmx100mmx115mm(寬x高x深)
|
|||||||||||||||||||||||||||||||||||||||||||||